Otto Martinian

About Me

I’m Otto Martinian. I am a rising Lighting Designer and Electronics Specialist from Long Island. In my work, I aim to capture the defenselessness in solitude and the collective strength in being together. I find that the theater allows us to experience an individual, unique connection with someone else’s story by the unspoken civility of being together in one space.

In addition to Lighting Design, I am also an avid electronics hobbyist. I have a strong knowledge of analog and digital electronics, electronics troubleshooting, circuit design and PCB design.

Please feel free to explore some highlights of my time at Purchase College below or visit my website where you can see more of my work and some of my personal projects.

Thank you for taking the time to read my profile.


Lighting Design

The Last Days of Judas Iscariot

Director: A. Dean Irby
PSM: Tiffanie Lane
Scene Designers: Hannah Abramo and Andrew Bellomo
Costume Designer: Jeanna DiPaolo
Sound Designer: Preston Shelsta
Technical Director: Hannah Eckert
Projection Designer: Massimiliano DiMartino

March 2021

Wide view of the arena playing space. Wide view of the arena playing space.
Credit: Photo by Zoë Markwater

Tatiana Kochuthara as Satan Tatiana Kochuthara as Satan
Credit: Photo by Zoë Markwater

Alyssa Carter as Gloria Alyssa Carter as Gloria
Credit: Photo by Zoë Markwater


Electronics

Sound Activated LED Pulser

Originally created for my senior show, The Last Days of Judas Iscariot, this device flashes a high-brightness LED in response to a sharp, sudden sound. I wanted to have some sort of light effect happen whenever the actor who plays the Judge strikes his gavel. I wasn’t aware of any simple solution to do this with the lighting board so I set out to design my own solution.

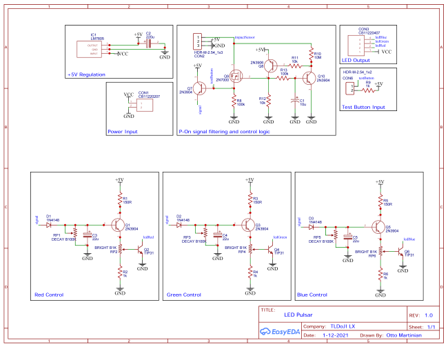
Full schematic diagram

This is the final schematic diagram of the device. This circuit gives adjustment for individual color and what I call “decay rate” of the red, green and blue LEDs. Once the gavel is hit, the circuit instantly turns the LEDs on and then slowly fades them out based on the time that was preset.

Top side with silkscreen of the PCB design

Click the button below to watch a time lapse video of me assembling the circuit board.

Video